Logic editor timer functie? [solved]

Visualisatie in EIB-KNX systemen, een vak apart.
Plaats reactie
houseofdreams
Berichten: 201
Lid geworden op: wo 20 jul 2011, 18:44

Logic editor timer functie? [solved]

Bericht door houseofdreams »

In mijn huidige HS setup, maak ik gebruik van de Expert functies Web pages/IP devices. Deze versturen een GET commando, samen met de values van enkele communicatie objecten door naar een eigen webserver, om ze bij te houden in een database voor later gebruik (energieverbruik/waterstand/gas/temperaturen)
gira5.png
gira5.png (15.41 KiB) 8384 keer bekeken
Nu worden deze web pages om het half uur door de HS3 "aangevraagd", maar ik kan niet meer vinden hoe ik dit nu in de logic editor aanmaak. Ik weet nog zeker dat dit via de LE was, maar omdat ik (zoals ik al wss teveel hier heb vermeld ondertussen) mijn laatste configuratie ben kwijtgeraakt.
gira6.png
gira6.png (12.82 KiB) 8384 keer bekeken
Hierboven zie je de output van de LE, alleen zoek ik nu nog een logic element, type "timer". Heb ik er gewoon over gekeken, of is er zo geen? (wat raar zou zijn, want nu werkt het zo wel op de HS3 (of ik heb het op een heel andere manier opgelost, die ik me nu niet meer kan herinneren)

Alvast bedankt!
Laatst gewijzigd door houseofdreams op vr 22 dec 2017, 17:06, 1 keer totaal gewijzigd.
houseofdreams
Berichten: 201
Lid geworden op: wo 20 jul 2011, 18:44

Re: Logic editor timer functie?

Bericht door houseofdreams »

Zou dit werken?
gira7.png
gira7.png (8.51 KiB) 8379 keer bekeken
Ik durf eigenlijk niet :D Ik houd nu al jaren ons verbruik bij in een mysql database, die ik dan via een eigen webserver/website kan visualiseren... Als er met de nieuwe firmware / expert project transfer iets misloopt, dan stopt ook het doorsturen van die gegevens...
houseofdreams
Berichten: 201
Lid geworden op: wo 20 jul 2011, 18:44

Re: Logic editor timer functie?

Bericht door houseofdreams »

Ondertussen een update:

De nieuwe firmware moeten uploaden, die moet blijkbaar (en verstaanbaar) dezelfde versie zijn als het expert bestand dat geupload wordt naar de HS. So far so good.

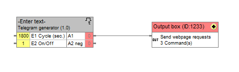
Het opvragen van de webpaginas vanuit de HS verloopt ook goed, ik heb een Telegram generator gebruikt, om elk half uur deze gegevens via de communicatieobjecten op te vragen en dan te versturen naar de aparte webserver (zoals het al jaren werkte eigenlijk)
gira14.png
gira14.png (5.84 KiB) 8364 keer bekeken
Een probleem wat ik vroeger dus niet had: Wat ik ook probeer, van de waterteller krijg ik geen gegevens doorgestuurd/opgevraagd. In ETS via de group monitor is er geen probleem, ik krijg gewoon de verwachtte waardes, maar als ik dat communicatieobject dan wil doorsturen, is het ofwel 0.00, ofwel gewoon leeg (ik had geprobeerd om een float2string LE module ertussen te zetten)

Iemand een idee wat hier kan mis zijn?

EDIT: opgelost alweer :mrgreen:

In Expert moest ik bij "communication objects" een compleet ander Data type selecteren... Daar heb ik de laatste dagen zoveel over gelezen, dat was me 6 jaar geleden allemaal onbekend, raar dat ik het toen in werking gekregen had.

Het stond op 16 bits, na het op 4 bytes (EIS 9/IEEE ...) te zetten, werkte het zoals het moet...

Al 1 probleem helemaal opgelost.
Plaats reactie