Pagina 1 van 1
SpaceLogic KNX DALI Gateway vind niet alle ECG's
Geplaatst: ma 13 nov 2023, 18:48
door richardberlijn
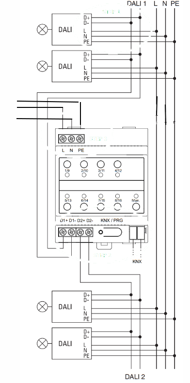
In het huis wat we aan het bouwen zijn heb ik twee Schneider SpaceLogic KNX DALI Gateway's met daaraan alle verlichting. Nu kan ik in een deel van een segment ECG's niet vinden in de DCA met een New Installation of Post Installation. Ze zijn allemaal van hetzelfde type. Iemand een tip?
Re: SpaceLogic KNX DALI Gateway vind niet alle ECG's
Geplaatst: za 18 nov 2023, 10:04
door ThijsC
Beste Richard,
Dit klinkt toch eerder als een probleem met de bekabeling. Best toch even het begin van dat segment nakijken. De kans is reƫel dat er toch ergens een slecht contact zit.
Thijs
Re: SpaceLogic KNX DALI Gateway vind niet alle ECG's
Geplaatst: ma 20 nov 2023, 23:57
door richardberlijn
Ha Thijs,
Bekabeling lijkt in orde, ik heb een aantal drivers uitgebouwd uit het plafond en per stuk aangesloten aan de gateway. Ook dan zijn ze niet te vinden.
Lijkt dus defect? De gateways (drie stuks) worden gevoed door de groep die ook de rest van de KNX installatie van stroom voorziet. Moet de 230V op de drivers uit dezelfde groep komen? De verlichting in het huis is natuurlijk over meerdere groepen verdeeld

- Schermafbeelding 2023-11-20 234952.png (53.44 KiB) 35699 keer bekeken
Re: SpaceLogic KNX DALI Gateway vind niet alle ECG's
Geplaatst: di 21 nov 2023, 14:37
door ThijsC
PB gestuurd.
Thijs
Re: SpaceLogic KNX DALI Gateway vind niet alle ECG's
Geplaatst: vr 01 dec 2023, 20:09
door ThijsC
Beste Richard,
Heb je ondertussen de oorzaak kunnen vinden?
Vriendelijke groeten,
Thijs
Re: SpaceLogic KNX DALI Gateway vind niet alle ECG's
Geplaatst: za 02 dec 2023, 06:26
door egfdevos
- DALI drivers mogen op verschillende groepen zitten.
Is een belangrijk voordeel zelfs. B.v. Medische ruimtes waar verlichting verplicht over meerdere groepen verdeeld moet zijn.
- Bij uitbreiding jezelf er altijd van verzekeren dat de te plaatsen drivers nieuw of gereset zijn.
- Goedkopere drivers kunnen nogal eens problemen opleveren.
- DALI bus in alle opzichten behandelen als 230V!