Beste Allemaal,
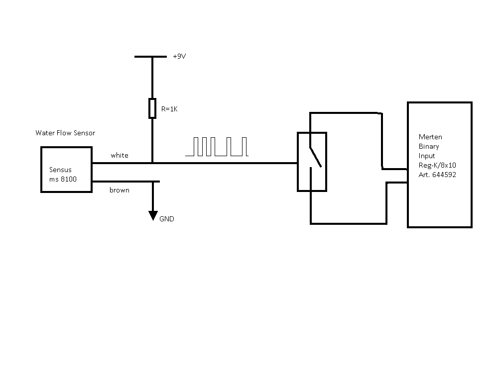
Ik wil graag mijn water flow meten met een Sensus MS8100 past op een Sensus 620c Water Meter.
De koppeling naar het KNX gedeelte gaat via een Merten Binary Input. 644592 een Reg-K/8x10 unit.
De Water flow sensor is een open collector device type.
Dwz, dat men de signaal lijn niet zomaar kan lezen, middels een pull-up weerstand wordt een hoog en een laag gecreeerd.
zo ontstaat een puls trein. een puls is een liter water, hoe dichter de pulsen opeen staan hoe hoger de flow.
geen puls(en) geen flow.
zie ook de tekening.
De koppeling naar het KNX gedeelte via een Merten Binary reader, volgens de handleiding kan deze
floating inputs aan.
citaat:
….. The Merten Binary input REG-K/8x10 is used to connect floating contacts, pushbuttons or switches to the EIB....
Een andere benaming van open collector is floating contact.
Echter ik krijg dit niet werkend….
Als ik dan kijk naar het schema van de binary reader, dan staat op iedere ingang een switch getekend.
Wie heeft hier ervaring mee?
Om het probleem te omzeilen wil ik de signal lijn van de sensor een schakelaar laten aansturen
Puls dicht, geen puls open.
Laat dat nu net met een transistor kunnen, dat is namelijk niks anders dan een schakellaar.
verder gaat mijn kennis op dit vlak niet…..
Samengevat, daar de binary reader niet direct de puls trein kan lezen, wil ik deze omzetten in uit/aan trein
dan kan de binary reader er wel mee overweg en heb ik de gewenste data.
Graag jullie input,
Groet
Gerwin
Sensus Flow Meter / Merten Binary Input
Re: Sensus Flow Meter / Merten Binary Input
als jij een schakelaar aansluit op jou binaire ingang, dan heb je volgens mij geen hulpspanning nodig, met andere woorden jij kunt direct op jou ingang de 2 draden van je schakelaar aansluiten?
Wat er volgens mij gebeurt bij jou is dat jij nu 2 spanningsbronnen hebt,
a. jou binaire ingangsmodule.
b. je watermeter die spanning mee stuurt omdat het een opencollector is uitgang is.
Wat er volgens mij gebeurt bij jou is dat jij nu 2 spanningsbronnen hebt,
a. jou binaire ingangsmodule.
b. je watermeter die spanning mee stuurt omdat het een opencollector is uitgang is.
Re: Sensus Flow Meter / Merten Binary Input
Beste,
@dre, direct aansluiten werkt niet.
Dank voor meedenken!!
Deel I, Fixed de flow unit met de draden. Niet te veranderen
Deel II, Het deel waar de pullup weerstand zich bevind de voeding 9v mag ook 15v zijn what ever tot een max van 24v
De pullup heb je nodig om een pulse trein te kunnen genereren.
Deel III, het deel wat gemaakt moet worden. de pulse trein gemaakt in deel II moet een "schakelaar" in deel drie aansturen
pulse; schakelaar dicht en geen pulse schakelaar open. Voor de schakelaar wil ik een Tor gaan gebruiken, immers sper hoge weerstand en open
geen weerstand, doorlaat.
Zodat Deel IV, wat ook weer fixed is zijn open/close trein krijgt.
En nu weet ik niet hoe ik deel II en III moet koppelen.
Ps, de binary input module heeft een uitgangs spanning van 15V
Groet,
Gerwin
@dre, direct aansluiten werkt niet.
Dank voor meedenken!!
Deel I, Fixed de flow unit met de draden. Niet te veranderen
Deel II, Het deel waar de pullup weerstand zich bevind de voeding 9v mag ook 15v zijn what ever tot een max van 24v
De pullup heb je nodig om een pulse trein te kunnen genereren.
Deel III, het deel wat gemaakt moet worden. de pulse trein gemaakt in deel II moet een "schakelaar" in deel drie aansturen
pulse; schakelaar dicht en geen pulse schakelaar open. Voor de schakelaar wil ik een Tor gaan gebruiken, immers sper hoge weerstand en open
geen weerstand, doorlaat.
Zodat Deel IV, wat ook weer fixed is zijn open/close trein krijgt.
En nu weet ik niet hoe ik deel II en III moet koppelen.
Ps, de binary input module heeft een uitgangs spanning van 15V
Groet,
Gerwin
Re: Sensus Flow Meter / Merten Binary Input
Beste Gerwin,
volgens mij zou je een ralias kunnen plaatsen tussen
bruin = min
wit = puls gever (plus)
groen = plus
Ik durf niet zo goed te zeggen of de puls gever een plus of een min uit stuurt.
Maar zo ver ik het zie, kun jij de module niet direct aansluiten op je KNX ingangsmodule.
Want zo ver ik het zie, geeft jou KNX module spanning af en de sensor ook.
volgens mij zou je een ralias kunnen plaatsen tussen
bruin = min
wit = puls gever (plus)
groen = plus
Ik durf niet zo goed te zeggen of de puls gever een plus of een min uit stuurt.
Maar zo ver ik het zie, kun jij de module niet direct aansluiten op je KNX ingangsmodule.
Want zo ver ik het zie, geeft jou KNX module spanning af en de sensor ook.
Re: Sensus Flow Meter / Merten Binary Input
Beste Gerwin,
volgens mij zou je een ralias kunnen plaatsen tussen
bruin = min
wit = puls gever (plus)
groen = plus
Ik durf niet zo goed te zeggen of de puls gever een plus of een min uit stuurt.
Maar zo ver ik het zie, kun jij de module niet direct aansluiten op je KNX ingangsmodule.
Want zo ver ik het zie, geeft jou KNX module spanning af en de sensor ook.

volgens mij zou je een ralias kunnen plaatsen tussen
bruin = min
wit = puls gever (plus)
groen = plus
Ik durf niet zo goed te zeggen of de puls gever een plus of een min uit stuurt.
Maar zo ver ik het zie, kun jij de module niet direct aansluiten op je KNX ingangsmodule.
Want zo ver ik het zie, geeft jou KNX module spanning af en de sensor ook.
- Bijlagen
-
- Schneider REG-K/8x10
- Schneider REG-K8x10.PNG (17.29 KiB) 17286 keer bekeken
Re: Sensus Flow Meter / Merten Binary Input
Kan die Merten niet zo worden ingesteld dat ie op een dalende flank een AAN commando geeft?
Ik heb mijn MS8100 (icm Sensus 620 water meter) aangesloten op een Gira 106800 binaire ingang voor het meten van de liter pulsen.
Ik heb mijn MS8100 (icm Sensus 620 water meter) aangesloten op een Gira 106800 binaire ingang voor het meten van de liter pulsen.
Re: Sensus Flow Meter / Merten Binary Input
Even uit nieuwsgierigheid, waarom op de dalende flank en niet op de opkomende flank?
Zit daar een reden achter?
Zit daar een reden achter?
Re: Sensus Flow Meter / Merten Binary Input
Geen idee meer.
Denk dat het niet uitmaakt of 't een stijgende of dalende flank is.
Heb ook een spanningsdeler gebruikt.
Ook daarvan weet ik niet meer waarom
Denk dat het niet uitmaakt of 't een stijgende of dalende flank is.
Heb ook een spanningsdeler gebruikt.
Ook daarvan weet ik niet meer waarom
